




Push-Pull ultralineare con valvola EL84 classe A
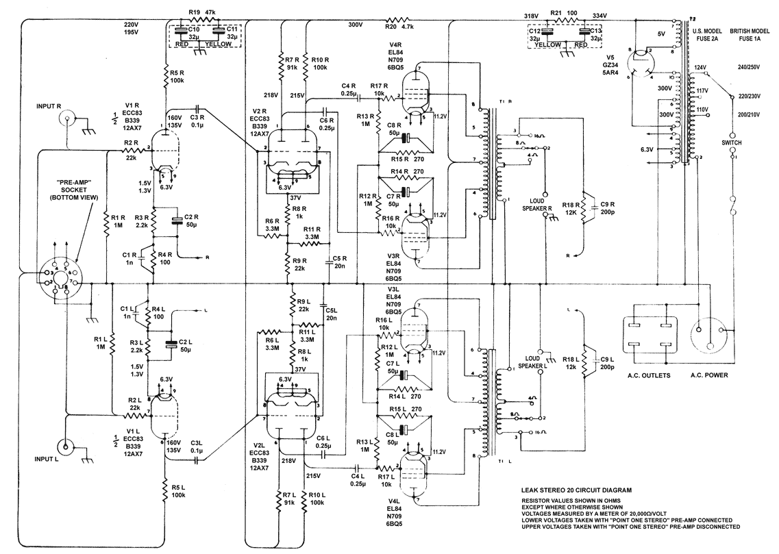
Rivisitazione schema del collaudato e famoso LEAK 20.
Compatto piccolo ma con una discreta potenza che si aggira attorno i 15W uscita 8 ohm
Realizzazzione in unico telaio
Radrizzamento tensione anodica a valvole, per un suono piu' morbido e nitido
Risposta in frequenza 10Hz- 30Khz
Realizzazzione manuale con cablaggi in aria
Componenti selezionati
Seciali trasformatori di uscita
Misure LxxH cm34X15X18
Peso Kg. 12 c.a
Consumo 110W
Per maggiori informazioni contattatemi
